De Jong's Liften B.V.
Anchor Forces
Calculator
AT50 · AT75 · AT95 · PT500A
This calculation is based on data provided by you.
The structural integrity of the building or structure to which the lift system is anchored and installed has not been assessed by De Jong's Liften, and De Jong's Liften bears no responsibility for this. De Jong's Liften does not evaluate or guarantee the suitability of the supporting structure.
These calculations are based on anchoring materials designed, manufactured and supplied by De Jong's Liften. Substitutions are not permitted.
The installation of anchoring components must be carried out by qualified personnel in accordance with local building codes and safety regulations.
The structural integrity of the building or structure to which the lift system is anchored and installed has not been assessed by De Jong's Liften, and De Jong's Liften bears no responsibility for this. De Jong's Liften does not evaluate or guarantee the suitability of the supporting structure.
These calculations are based on anchoring materials designed, manufactured and supplied by De Jong's Liften. Substitutions are not permitted.
The installation of anchoring components must be carried out by qualified personnel in accordance with local building codes and safety regulations.
Configuration
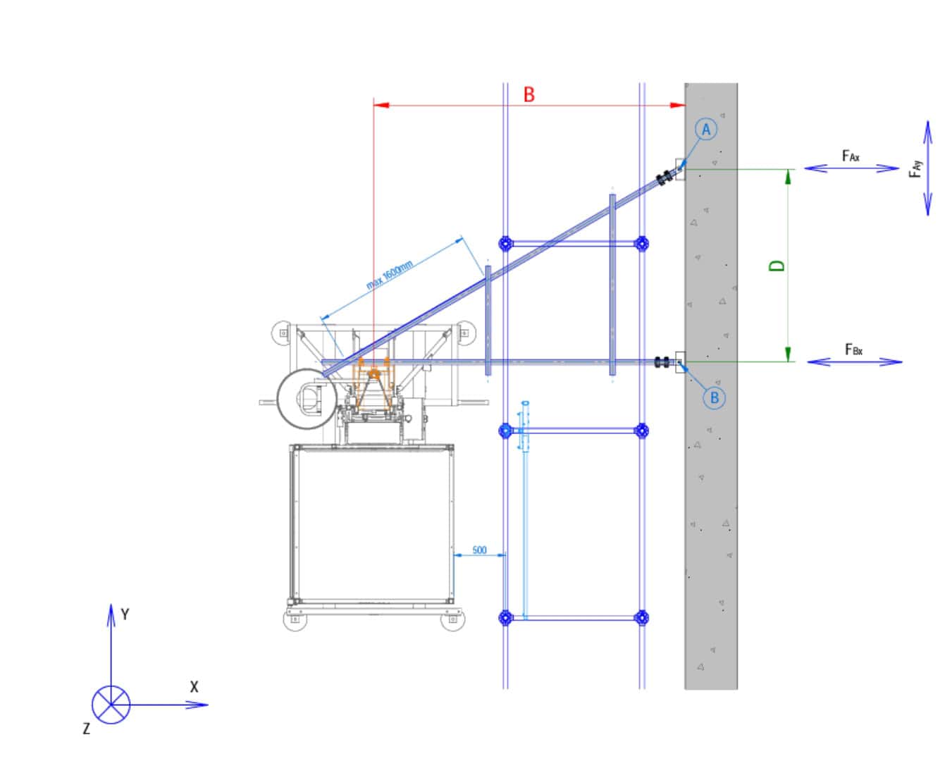
Distances
✕
mm
mm
Results
⚙️
Fill in the configuration to calculate the forces
* AT95 Single mast: no data available in the calculation matrix.
IS = In service (wind force ≤7 Beaufort) · OS = Out of service (wind force >7 Beaufort, lift platform in lowest position).
Forces calculated in accordance with the De Jong's Liften B.V. calculation method.
IS = In service (wind force ≤7 Beaufort) · OS = Out of service (wind force >7 Beaufort, lift platform in lowest position).
Forces calculated in accordance with the De Jong's Liften B.V. calculation method.